PATNENT EQUIPMENT DESCRIPTION
(Chinese Edition)
Invention Name
Poutron Probe
Invention Number
1953-6604-742-A17S
1995-3520-563-A24K
Date of publication of application:
1953-07-13
1995-01-25
Designated Contracting Departments:
FRD-SPF
Foundation Research Department
Security Produce Factory
Inventor:
Sinitiro Tomonaga
Hideki Yukawa
Hanns Jander
Representative:
Electronic-Prwered Design
Maschinenbau
Präzision prüfmesser

一、原理概述
灵子探针【Poutron Probe】是一类应用了基于灵力导体效应和相应的灵力现象,结合现代电气工程以及特殊的灵力元器件所制造的一系列探针器件,并且可以被用于探测环境或物体中的灵力子分布状况,狭义上的探针就指的是这个部件。
对于搭载着有灵子探针部件的探测器械,由于翻译后形成的习惯用语等原因,我们把它们也一并称为灵子探针,或者将其承载着具有探测灵力子的部分称为灵子探针,这种就是广义上的灵子探针,但如果称为灵子探测器【Poutron Detecor】也一样是可行的。
本文在之后的“灵子探针”字样若无特殊说明,皆是指代广义上的灵子探针,对狭义灵子探针描述将会加上“部件”等字眼。
灵力导体理论基础
对于灵力导体的相关理论,由于早期科学家的工作,我们是将其类比为电学的相关概念,但我们仍需注意不能以以往的电学视角看待整个灵力导体理论,虽然它只是灵力理论中很小的一个部分,但这并不妨碍其作为一门崭新的学问出现在我们面前。
灵容【Power Capacitance】是用于描述单位体积下物质内部能够容纳多少灵子的一个指标:

$C_p=\frac{N_p}{V}$
$C_p$为灵容,$N_p$为灵子物质的量,$V$为灵力导体体积,标准单位为$mol/m^3$
因为在短程灵力作用的情况下灵子之间是有互相排斥的趋势的,则灵势【Power Potential】可以理解为是大量灵子在某一个空间内“互相挤压”而产生的一种向灵子分布密度更低的地方流动的趋势:
${\varphi}_{p}=2C_p\bar{E_p}k$
${\varphi}_{p}$为(无外加场的)灵势,$C_p$为灵容,$\bar{Ep}$为平均灵子动能,$k$为导体内灵子自由度,标准单位为$J/m^3$
需要注意的是,灵势公式中的平均灵子动能(J/mol)是从统计物理中得出来的一个量,用于描述指定范围的灵力子的单位平均动能;而导体内灵子自由度(k∈[0,1],无量纲)是量子力学的一个导出量,用于描述单位体积灵力导体内的灵力子可以“活动”的区域大小,即其“自由度”,一般由实验测得。

灵压【Power Tension】平面上每一点的灵势经过二重积分得到,物理上相当于灵势对一个面上施加的“压力”的合力,表示在某一个方向的灵压,因此其为矢量;一般来说,灵压应当位于选取的平面的法向,但具体情况视截面的形状而定。灵势能【Power Potential Energy】则是灵压对该面上的灵力子产生的势能,且可以选定任意面作为零势面,但一般选定距离灵压源无穷远的的灵势能为零;而两点的灵势能的差也可以表示灵压在这两点间沿任意路径对灵力子做的功,积分即可得此量;为节约篇幅,这里仅给出平面上的灵压:
$\mathbf{T}_\mathbf{p}=\iint_{D}^{\ }\varphi_p\mathbf{i}d\sigma=\varphi_pS\mathbf{i}$
${T}_{p}$为(无外加场的)灵压,${\varphi}_{p}$为灵势,中间的式表示曲面的灵压,$S$为面积,标准单位为$J/m$
$E_p=\int_{\infty}^{\ }T_pdl\ \ \ \ U_{AB}=\int_{A}^{B}{T_pdl}=T_pl$
$E_p$为灵力导体中理论的灵势能,$U_{AB}$为两点间的灵势能差,$\varphi$为灵势,$l$为位移,标准单位为$J$
以上各公式均表示未外加灵压时导体的内灵力子;如果有外源的灵力场,只需进行线性叠加即可。且由于灵子在灵力的长程作用下具有相互吸引的倾向,即使相当微弱,一些情况下负值灵势、灵压和灵势能依然是有意义的。

灵阻【Power Resistance】是用于描述单位截面的物质对灵力子传导的(平均)阻碍作用的一个物理量。决定灵阻大小的只有灵力导体本身的物质结构与性质,我们通常用灵阻率【Power Resistivity】来描述一种材料在特定环境下的对灵力子阻碍的性质,并且我们可以用下面这个式子来测量灵阻:
$R_P=\iint_{D}^{\ }\rho_pd\sigma=\rho_pS$
$R_P$为灵阻,$\rho_P$为灵阻率($J/m$),$S$为横截面积,标准单位为$J\bullet m$或者$\mathrm{\Omega}_p$【灵子欧姆】
灵阻直观的体现在灵子传导过程中所产生的能量损耗,通常表现为发光、发热等。而灵子在灵力导体单位面积、单位时间内流过的灵子物质的矢量称为灵流【Power Current】,并且一般可由下面的公式分别定义和测量:
$\mathbf{I}_\mathbf{p}=\int_{A}^{\ }{di_pdA}\mathbf{i}=\frac{dn_p}{dt}\mathbf{i}$
灵流的定义式,$I_p$为灵流,$i_p$为面积微元的灵流,中间的式表示曲面的灵流,$n_p$为灵力子物质的量$t$为时间,$i$为单位矢量,单位为$mol/(m^2\bullet s)$或者$A_p$【灵子安培】
$\mathbf{I}_\mathbf{p}=\frac{\varphi_p}{R_pdt}\mathbf{i}$
灵流的决定式,${\varphi}_{p}$为灵势,$t$为时间,单位为$mol/\left(m^2\bullet s\right)$或者$A_p$
值得注意的是,当我们将灵流、灵阻和时间作一个乘积,我们有:
${I}_{p}R_pt=W$
${I}_{p}$为灵流,$R_P$为灵阻,$t$为时间,$W$单位为$J$
我们便将此处的W定义为灵阻消耗的功,即形成灵流的灵力子在一段时间内损耗的能量。
下面介绍的是能够让灵子探针发挥作用的最重要的两个现象,它们分别为灵子滞留【Poutron Retention】与灵子逸散【Poutron Dissipation】。
灵子滞留也就是在灵压发生改变后灵子没有立即对这种改变作出反应,而是有一定的迟滞,类似于电器元件中的电感,存在既有的灵子对后来的变化产生“抵抗”的作用,也类似于经典力学中的“惯性”或“惯量”,即灵力子对变化存在维持原状的倾向。
但滞留效应一般发生在灵力导体没有完全充满灵力子时,一旦灵力导体充满,其内源性的灵压便可大大削减这种迟滞效应带来的影响。
当自由灵子在形成灵流后,由于灵压存在于各个方向,灵力子会产生垂直于灵流方向的灵压,该灵压会迫使灵力子从灵力导体中逸散出去。值得注意的是,这这逸散不同于无灵流或灵压非常小时由于灵力子的无规则运动产生的扩散作用,逸散效应遵守形成灵流的原理

一般解决这个问题的方法是类似于输电线外面包裹的绝缘层一样,在高灵容低灵阻的灵力导体外覆盖一层低灵容高灵阻的“绝缘层”,于是我们便有了专门针对此效应的界面抑制效应【Interfacial Inhibition Effect】,这种效应会使灵流在尝试穿越高混乱度和灵阻绝缘层时,击穿难度提升数十倍甚至数九倍。
首先我们定义灵压差【Power Potential Difference】为空间中两点的灵压的差值,常用于描述径向的灵压,单位为$(J/m)$:
$\mathrm{\Delta}T_{AB} = {\int_{A}^{B}{dT_{p}}} = T_{B} - T_{A}$
然后我们便有了(最大)击穿灵压:
$T_{max} = {\int\limits_{h}^{~}{\mathrm{\Delta}C_{p}\mathrm{\Delta}R_{p}lnWdh}}$
${\mathrm{\Delta}\mathbf{C}}_{\mathbf{p}}$为灵容差,$\mathrm{\Delta}R_{P}$为灵阻差,$lnW$为面混乱度(无量纲),$h$为界面厚度,单位为$(J/m)$
由于界面抑制效应关系着材料和灵力子的量子波动关系,会牵扯到一系列的统计和量子物理,在此就不进行更为详细的阐述了,但这种现象的本质与自由灵子和物质原子之间更为精细的相互作用有关,且涉及到灵子对原子的附着、驻留、脱离、转移等量子现象相关。值得注意的是,当材料足够薄时,灵力子有可能会发生灵子的量子隧穿效应,这也是为什么即便是有界面抑制效应,绝缘材料也不能做得非常薄的原因。
目前普遍认为界面抑制在结构越复杂、夹层数越多、组成越混乱的界面上就越能够体现出来。但因为内部没有形成灵流,因此早期被用来储存灵子的灵池【Power Battery】不能使用该种技术,转而利用了灵力子和电子的耦合效应储存灵子,但这也导致了其中几乎没有自由灵子,即使用需要退耦合。如今的灵池以及更换为使用更可靠的结界架构来封存灵子了,但界面抑制效应依然在灵子的运输上大放异彩。
理论应用:灵子探针

灵子探针是基于灵力导体理论设计的探测系统,它主要分为三个功能性结构:
a.探头;b.灵-电交换测控系统;c.灵子回收与存储装置
其中最重要的是探针的灵-电交换测控系统。这部分系统是通过量子灵力学取得的突破,建立的电磁力-灵力耦合,从而能够让我们使用特定的电子设备以精确控制灵流。(上图实验室专用探针的大部分部件已集成至外部,便于相应的探针测试实验)
除去探头部分,其余的结构都是经由人造结界封存或包裹有强界面抑制材料,以防止有灵力子泄露而造成的测不准。而探头部分作为灵力子唯一的溢出口,在精确控制好输入的灵力子恰好达到饱和后,探头部分将会对外界的灵力变化非常敏感,以至于只要有微弱的灵力波动,就会造成探针内部的灵力波动。波动抵达内部之后再通过灵-电转换单元与电磁放大器将灵力波动转化为电流,这样就可以让监测系统探测到灵力环境的细微变化。
当然,根据不同的使用环境,我们也发展出了功能与形状各不相同的探针和探头,可以按照使用需求更改灵敏度,或者人为设置临界溢出点以达到更精确或者更节能亦或者更隐蔽的效果。
灵子回收与存储装置是为了补充在维持探头临界状态时流失的相当一部分灵子,一般的灵子回收装置就是直接回收机器附近环境中存在的灵子,但更精密的探针则会让回收装置远离探针主体部分,或者有的干脆直接取消了回收单元,改为外部直接供给所需要的灵子。
二、设计历史
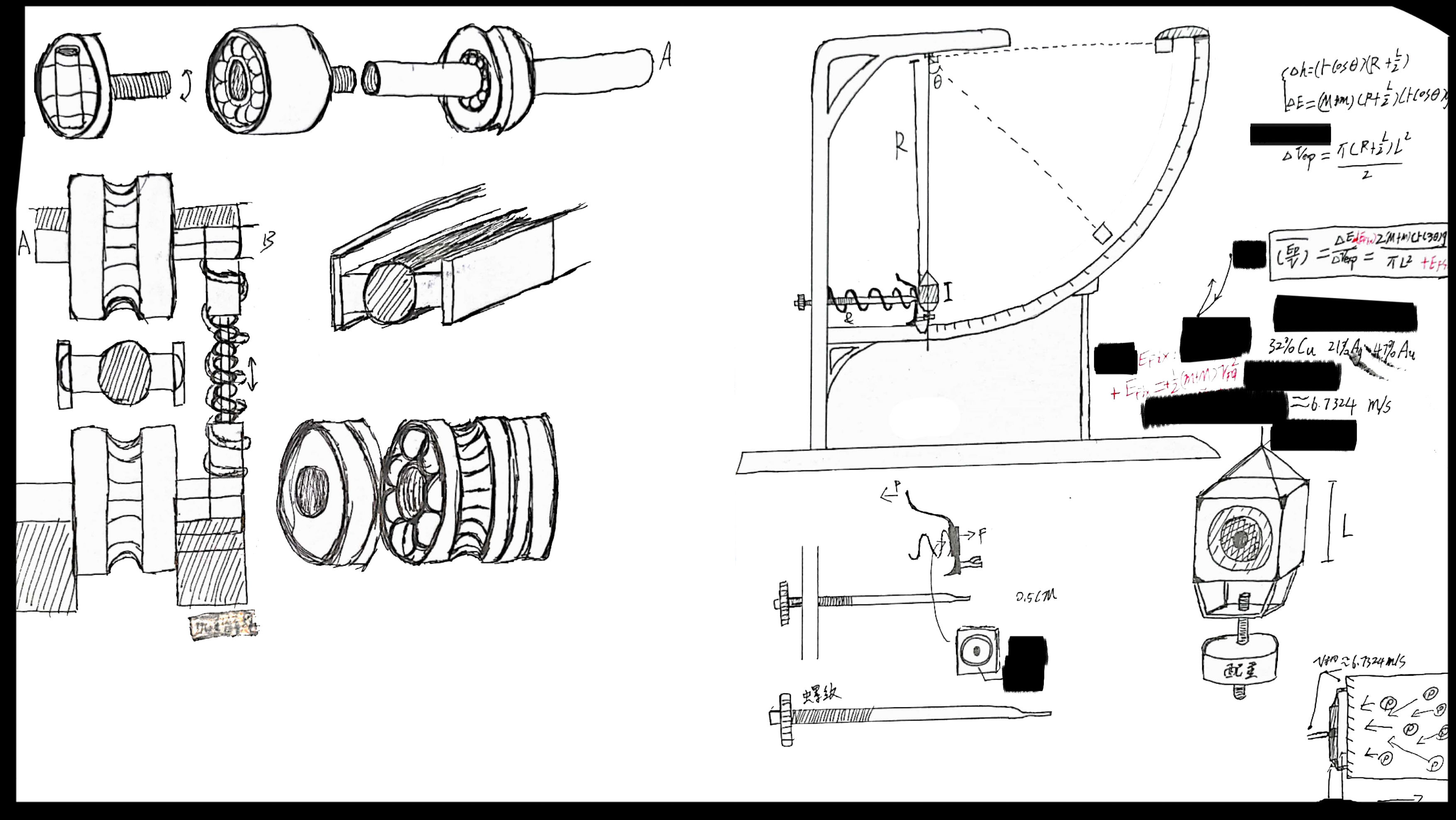
最初的结构是来自于汤川秀树先生的手稿设计图,之后再利用当时还在发展中的灵力理论进行改进建造得来的初代试验机型。

值得一提的是,这套初代机械是利用一种可以吸收灵力的矿石制成的,然后类似于击发火药,在下落撞到撞针后灵力就会转化为动能,最后根据这个单摆的最高高度计算空间中的灵力密度。
经过灵力电子元器件的改进之后,多位来自于不同地区的科学家分别改进并生产出了可以实用的灵子探针,但此阶段的产品都类似于雷达结构。

时间进入到冷战时期,各种大型工程和微型工程同时开展了起来,这其中不乏便携探针和探针雷达的发明。

左图:灵子探测站;右图:早期便携式灵子探测器

最终,我们在汤川秀树先生与朝永振一郎先生发明初代灵子探针的1953年的四十多年之后,也就是1995年,最终由Hanns先生完成了灵子探针的小型化,并于随后不久便完成了模块化。
三、实验型探针
早期的探针
早期的探针
四、注意事项
1)清洁
我们使用的大部分探头都是接触式的,属于一种高精度探测设备,操作时应当时刻保持其清洁,否则会导致误差加剧与灵敏度降低。
外壳部分保持正常清洁即可,外壳材质为标准三级防护材料制成,但若未经过其它特殊处理,切勿靠近高温、强腐蚀性、强辐射等极端环境中。
内部电子部件需要执行严格的防尘、防水处理。
标准清洁步骤请参考对应型号的探针操作手册。
2)运输
作为灵敏器材,尽管已经加固优化过,但灵子探针仍然不应长时间处于震动环境下。
便携式探针允许正常的人工运输,但若发生跌落、碰撞,应当尽快在稳定的情况下进行检查。
拆卸检查步骤请参考各版本探针的说明书。
3)存放
所有仪器设备应当保证在恒温恒压隔热的条件下长时间保存,同时应当隔绝空气和液体等外界因素。
存放场所应当有2级别及以上安全保障。
4)保密
所有设备都应当作为保密财产对待,严禁未批准的公众曝光。
考虑到有落入敌对势力手中的危险,使用者被批准在第一时间销毁相关设备,所有探针均可以额外配有相应的自毁系统。
任何技术细节或者工作原理严禁外泄,违者将视为敌特对待。
其余保密措施请参考相应的保密条例。







